Кабельный колодец связи ККТ-1
Описание
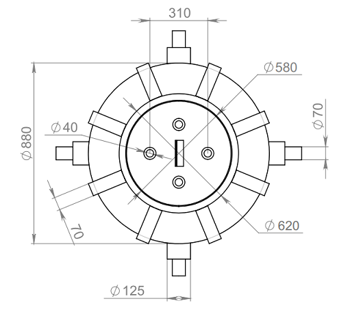
Используется в качестве стандартного смотрового устройства с выводом люка на поверхность, при заложении
трубопроводов на глубину до 700 мм. Оснащен 4-мя вводными патрубками с внешним диаметром – 125 и 70 мм, а
также 4-мя площадками для осуществления вводов труб с различных направлений под углом 180°, 90°. Позволяет разместить пассивное оборудование, кабельные муфты и запас кабеля с допустимым радиусом изгиба до 350 мм.
Полиэтиленовый колодец ККТ-1 разработан специально для построения кабельной канализации и выполняет функции
стандартного смотрового устройства. Массивные ребра жесткости, расположенные радиально придают корпусу
значительный запас прочности. Колодец ККТ-1 оснащен 4-мя вводными патрубками и 4-мя площадками ввода
защитных труб кабельной канализации. Данное конструктивное решение позволило унифицировать изделие для
решения задач при устройстве кабельных сетей различного назначения.
При устройстве кабельных сетей с использованием бронированного кабеля, который укладывается в грунт без
защитных труб, кабель вводится в колодец через патрубки и герметизируется при помощи термоусаживаемых трубок.
Защитные трубы кабельной канализации вводятся в предусмотренные в корпусе колодца ККТ-1 монтажные площадки.
Герметизация мест ввода труб осуществляется с помощью адаптеров герметичного ввода.
Данный способ герметизации ввода не требует использования нагревательных устройств или открытого пламени,
позволяет делать вводы под углом, без применения переходников и угловых колен.
Колодец ККТ-1 состоит из цельнолитого корпуса и пластикового люка с резьбовым соединением. На внешней стороне
люка предусмотрены углубление для удобного закручивания вручную и гнездо для вспомогательного ключа, который
может использоваться для более плотного закручивания люка, с целью недопущения несанкционированного доступа
в колодец.
Колодец ККТ-1 выпускаются с люками двух типоразмеров - 580 мм (ККТ-1М (Р) и 630 мм (ККТ-1Б (Р). Люк диаметром 580
мм используется при монтаже колодца в транспортной зоне, с применением защитной железобетонной плиты и
дорожного металлического люка. Уменьшенный размер крышки колодца ККТ-1 позволяет открыть колодец и извлечь
пластиковую крышку сквозь обод дорожного люка. Крышка диаметром 630 мм используется при установке колодца
ККТ-1 в зеленой зоне и на газонах. Благодаря увеличенному размеру крышки, снижается вероятность попадания
поверхностных вод в колодец.










